- 二片式高平台球阀Q11F-1000WOG瑞思拓
详细信息
品牌:瑞思拓 型号:Q11F-1000WOG 结构形式:浮动球直通式 材质:不锈钢 连接形式:内螺纹 公称通径:DN15-DN100 mm 适用介质:水;蒸汽;油品;弱酸碱介质 压力环境:常压 工作温度:常温 驱动方式:手动 流动方向:双向 标准:国标 零部件及配件:配件 用途:调节 类型:直通式 作用对象:水 二片式高平台球阀
二片式高平台球阀
概述:
二片式高平台球阀和闸阀是同属一个类型的阀门,区别在它的关闭件是个球体,球体绕阀体中心线作旋转来达到开启、关闭的一种阀门。球阀在管路中主要用来做切断、分配和改变介质的流动方向。两者*大的区别就是阀体不一样。
应用规范
应用规范:
型号:Q11F
产品名称:二片式高平台球阀
螺纹类型:G.NPT.BSPT.BSP.DI259/2999
球阀形式:浮动球阀
密封形式:软密封(PTFE,RPTFE,PPL,PEEK)
公称压力:1.6-6.4MPa
适用温度范围:-20~232℃~350℃
主要材质:CF8,CF8M,WCB(不锈钢304,316,316L,碳钢)
适用介质:水、油、气及某些腐蚀液体(W.O.G)
主要用途
球阀产品大量出口欧洲,中东,非洲等地区和国家,主要适用于食品机械,水处理,化工管道,石油天然气等行业,对于不同的温度,以及不同的介质可以选择不同的密封材质以及壳体材质适用于气体、油品、水、酸性、碱性等介质。
主要零件材料
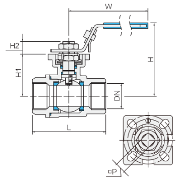
主要尺寸 单位:mm
注:二片式高平台球阀有带ISO5211平台产品可供直接选择安装执行器。其他压力参数请致电我司
工作原理
二片式高平台球阀的工作原理是靠旋转阀恋来使阀门畅通或闭塞。球阀开关轻便,体积小,可以做成很大口径,密封可靠,结构简单,维修方便,密封面渝球面常在闭合状态,不易被介质冲蚀,在各行业得到广泛的应用。
-
扫一扫,手机浏览


















